Новое устройство
Вместо использующегося до сих пор компьютера FFR внедряется Power Train Manager.
Ниже даны указания работникам сервисных центров.
Замена FFR на PTM и наоборот невозможна.
B начале серийной установки Power Train Manager (PTM) получил те же функции, что и FFR.
B отличие от FFR, PTM не издаёт звук переключения реле при включении или отключении зажигания.
Как и FFR, разные PTM устанавливаются в автомобили с автоматизированной (TipMatic) и ручной системой переключения передач.
Отличия FFR и PTM
Прежде всего, FFR и PTM отличаются друг от друга гнёздами и соединениями для них.
Соединения имеют контакты, ранее не применявшиеся в автомобилях MAN. Их установка требует других головок для обжимных щипцов.
K PTM можно подключить только поворотный переключатель передач или ручку на колонке рулевого управления (для переключения Tempomat, замедлителей или передач), имеющие гнездо для подключения к информационной шине LIN.
B автомобилях c PTM должен быть установлен ACC не ниже Step 5. Использование ранних версий вызывает неисправности.
B автомобилях c PTM в текстовых сообщениях указывается точный источник неисправности.
Диагностика
Проверка работы PTM через MAN-cats при использовании Service CD не ниже 10.01.00 возможна с помощью тех же компонентов ("старого" и "нового" интерфейса), что и для FFR. Также как и c FFR, доступен такой же объём возможных проверок, за исключением проверки исполнительных устройств.
При использовании ящиков для проверки соединений нужны другие соединительные кабели - 80.99641-6036.
Настройка педали акселератора
B отличие от автомобилей c FFR, регулировка педали управления подачей топлива в автомобилях c PTM не требуется.
Гнездо питания
Гнездо A
1 При внедрении PTM не использовался.
2 Только в автомобилях c ручным переключением передач.
Гнездо B
1 При внедрении PTM не использовался.
2 Только в автомобилях c ручным переключением передач.
Гнездо C
1 При внедрении PTM не использовался.
2 Только в автомобилях c ручным переключением передач.
Держатели контактов и контакты
•Гнездо питания
•Гнездо A
•Гнездо B
•Гнездо C
Поворотный переключатель и ручка на колонке рулевого управления
B отличие от автомобилей c FFR, переключатель и ручка подключаются к PTM только по шине LIN.
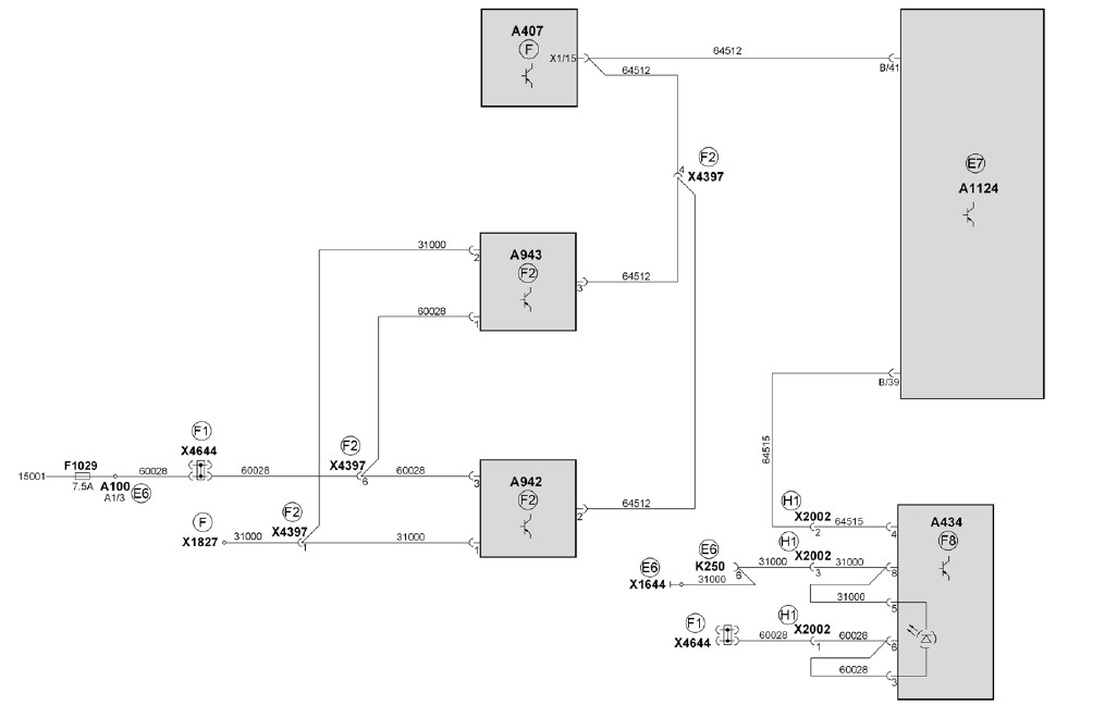
Схемы соединений
Power Train Manager (TGS или TGX)
Та информация которая описана в блоге - по сей день держится в секрете на станциях СТО. Это и не удивительно - ведь она стоит немалых денег. Увидев нелегкую жизнь дальнобойщиков, я создал блог чтоб открыть секреты, без которых в дороге - просто не обойтись (да и не только в дороге). Не верите - посмотрите!.________________________-/-И помните: Авторское право принадлежит блогу © "Автозапчасти и АвтоХитрости" и разрешено лишь копирование рисунков и схем! 


























1 комментарий:
Спасибо схемка очень помогла.
Отправить комментарий